В статье расматриваются особенности возможного расположения обмоток интегрированного магнетика для использования в составе низковольтных (3,3 и 5 В) преобразователей напряжения мощностью до 150 Вт.
При создании современных малогабаритных, низкопрофильных импульсных преобразователей постоянного напряжения, перед разработчиком стоит задача выбора такой топологии схемы силовой части, которая обеспечивала бы по возможности высокий КПД, низкую стоимость и высокую технологичность изготовления изделия. Одним из способов достижения этих целей является применение интегрированного магнитного элемента (интегрированного магнетика), одновременно сочетающего в себе функции трансформатора и сглаживающего дросселя [1]. Это решение, в сочетании с применением планарных трансформаторов, использующих печатные обмотки [2], позволяет получать преобразователи с высокими значениями удельной мощности. Цель настоящей статьи – показать особенности возможного расположения обмоток интегрированного магнетика для использования в составе низковольтных преобразователей напряжения (на 3.3В, 5В), мощностью до 150 Вт.
На сегодняшний день промышленностью не выпускаются магнитные компоненты, которые специально предназначались бы для использования в качестве интегрированного магнетика, у которого обмотки располагаются на трех кернах, как это показано в [1]. Поэтому целесообразно применять стандартные низкопрофильные сердечники, например E-I сердечник. Значительный ток нагрузки, а также требования компактности трансформатора, заставляют применять вторичные обмотки, содержащие всего один виток. Зазоры в кернах целесообразно выбирать одинаковые, с точки зрения технологичности и унификации.
Эти соображения и подход, изложенный в [1], приводит к конструкции трансформатора, показанной на рис.1.

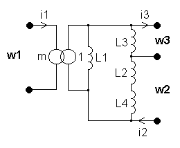
На рис.2 показаны контуры, создаваемые токами в обмотках и магнитные потоки Ф1-Ф3 в кернах трансформатора. Здесь m - число витков в обмотке w1; i1-i3 – токи в обмотках w1-w3, соответственно.

Поток Ф4 представлен в виде виртуального четвертого керна. Он обусловлен замыканием магнитных линий непосредственно с верхней на нижнюю крышки сердечника, и не связан ни с одним токовым контуром (рис 3). Этот поток определяет, таким образом, рассеяние трансформатора.

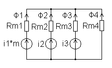
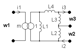
Магнитная схема замещения для случая расположения токов, показанного на рис.2, представлена на рис.4. Соответствующая электрическая схема замещения магнитного элемента показана на рис 5., где L1=1/Rm1, L2=1/Rm2, L3=1/Rm3, L4=1/Rm4.
![]() |
![]() |
|
|
|
Как видно из рис. 5, индуктивность рассеяния L4 оказывается расположенной между первичными и вторичными выводами трансформатора. Для низкопрофильных сердечников (таких как E-I сердечник), эта индуктивность может быть весьма значительной, что ухудшает свойства трансформатора.
Значительно снизить рассеяние в трансформаторе позволяет перенос обмотки w2 с крайнего керна на два соседних керна. Конструкция обмоток для этого случая показана на рис.6.

Расположение контуров токов представлено на рис.7.

Магнитная и электрическая схемы замещения показаны на рис. 8 и рис. 9, соответственно.
![]() |
![]() |
|
| |
Как видно из риc. 9, индуктивность L4 теперь оказывается включенной последовательно с L2, и не разделяет теперь первичные и вторичные выводы трансформатора. Перенос обмотки w2 с крайнего керна на два соседних существенно снижает рассеяние в трансформаторе и повышает эффективность преобразователей на основе интегрированного магнетика. Это происходит потому, что паразитный поток Ф4 теперь замыкается фактически параллельно керну трансформатора, в котором сосредоточен поток Ф2.
Экспериментально этот вывод подтверждается измерением индуктивности первичной обмотки при замкнутых вторичных обмотках трансформатора (Lw1). Как следует из рис.5, при этом фактически измеряется значение индуктивности L4, приведенное к первичной стороне (то есть Lw1=L4·m2). Так, для сердечника EI-22 было получено значение Lw1/ m2=60 нГн для случая вторичных обмоток, показанных на рис. 1. Для случая вторичных обмоток, показанных на рис.6, получается значение Lw1/ m2 =9 нГн, то есть почти на порядок меньшее. Измерения проводились при разных значениях m, величина зазора в каждом керне трансформатора составляла 0.3125 мм.
Можно сделать вывод, что перенос одной из вторичных обмоток с крайнего керна интегрированного магнетика на два соседних керна, позволяет существенно снизить рассеяние в нем, и повысить, таким образом, эффективность передачи энергии.
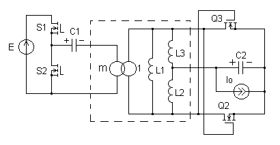
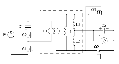
На основе рассмотренной конструкции интегрированного магнетика и использования технологии печатных обмоток, были созданы несколько стабилизированных преобразователей постоянного напряжения [3]. Две основные использованные топологии показаны на рис.10 и рис.11. Применение синхронного выпрямления продиктовано низкими уровнями выходных напряжений (3.3В, 5В). Топология с полумостом на первичной стороне (рис. 10) применялась в преобразователях с высокими уровнями входного напряжения, а топология с активным клампированием (рис. 11) – в преобразователях с низкими уровнями входного напряжения.


Список преобразователей с указанием удельных мощностей приведен в таблице 1.
Таблица 1.
|
Входное напряжение, В |
Выходное напряжение ,В |
Выходная мощность, Вт |
Габариты, мм |
Удельная мощ-ность, кВт/дм3 |
|
325-450 |
5 |
150 |
61х84х12.7 |
2.3 |
|
325-450 |
3.3 |
100 |
61х84х12.7 |
1.5 |
|
230-400 |
5 |
125 |
61х84х12.7 |
1.9 |
|
36-75 |
3.3 |
100 |
61х58х12.7 |
2.2 |
|
34-75 |
5 |
150 |
61х58х12.7 |
3.3 |
Коэффициент полезного действия для преобразователей с высоким уровнем входных напряжений лежит в пределах 87-90%, а с низким уровнем входных напряжений – в пределах 86-88%. Частота коммутации – 500 кГц, способ модуляции – ШИМ-2.
Литература
[1]
Lee F., Chen W, Hua G., Sable D.
Design of high efficiency, low profile, low voltage converter with integrated
magnetics / IEEE APEC’97, 1997, Mar. P.911-917.
[2]
Philips Magnetic Products –
Design of Planar Power Transformers.
[3] Кузьмин В.Ю Преобразователи
постоянного напряжения с интегрированным магнитным элементом и синхронным
выпрямлением // Применение силовой электроники в электротехнике: Материалы
докл. науч.-техн. семинара (Москва, 15-19 мая 2000 года). М.:МНТОРЭС им
А.С.Попова, 2000, стр. 147.
© 2004, © 2008 Бердников Д.В.